Công tắc dây kéo dừng băng tải ELAW-21 Matsushima
Model: ELAW‑21
Thương hiệu: Matsushima
Xuất xứ: Nhật Bản
Chính sách bán hàng:
✅ Hàng chính hãng 100%
✅ Bảo hành & đổi trả do lỗi nhà sản xuất
✅ Giao hàng trên toàn quốc
✅ CO, CQ đầy đủ
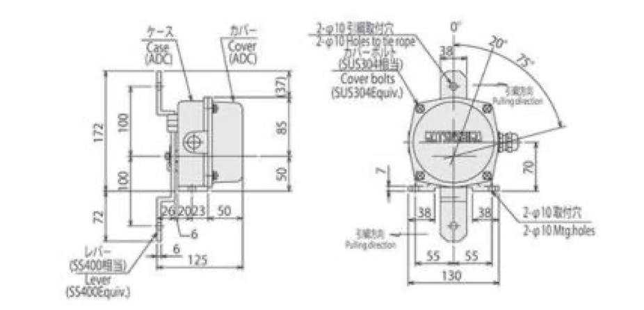
Công tắc dây giật (Pull Cord Switch) ELAW-21 là thiết bị dừng khẩn cấp được sử dụng để ngắt hoạt động của băng tải ngay lập tức khi xảy ra sự cố. Thiết bị được thiết kế để lắp đặt dọc theo hai bên băng tải, với dây kéo được bố trí song song theo chiều dài băng. Nhờ đó, người vận hành có thể kích hoạt công tắc từ bất kỳ vị trí nào trên băng tải bằng cách kéo dây.
Theo quy định về An toàn và Sức khỏe Lao động (Industrial Safety & Health Regulations), công tắc dây giật khẩn cấp là thiết bị bắt buộc phải lắp đặt trên hệ thống băng tải tại Nhật Bản.
Tính năng nổi bật
- Công tắc cỡ lớn với lực căng dây lớn và độ bền cao.
- Hoạt động 2 chiều, có thể dùng được từ cả hai hướng.
- Cung cấp 2 tiếp điểm cho dừng máy và báo động.
- Có loại kèm bảng chỉ thị hoạt động.
- Có sẵn loại chống cháy nổ và loại chống cháy bụi.
Thông số kỹ thuật
| Hạng mục | Giá trị |
| Loại (Type) | ELAW-21 |
| Vỏ bảo vệ (Enclosure) |
Chống chịu thời tiết |
| Tiếp điểm (Contacts) | 2c |
| Dung lượng (Capacity) | 15A-125V, 250VAC, 1/2A-125VDC |
| Lực hoạt động (Operating torque) | 49 ± 9.8N (5 ± 1kgf) |
| Cổng cáp (Lead outlet) |
Cáp Ø6 ~ Ø12 |
| Nhiệt độ (Temperature) | -20°C ~ +60°C |
| Màu sơn phủ (Coating color) | Munsell 7.5GY6/10 Bảng chỉ thị: Munsell 5R4/13 |

Ứng dụng phổ biến
| Vị trí lắp | Chức năng |
| Dọc theo băng tải dài | Kéo dây → dừng khẩn cấp nếu có người kẹt, vật cản |
| Khu vực nguy hiểm | Kéo dây → báo động + dừng máy |
Các dòng sản phẩm đang sẵn có tại NTD
NTD Automation phân phối chính hãng của sản phẩm của Matsushima, cung cấp đa dạng các dòng công tắc dây kéo dừng khẩn cấp băng tải (Pull Cord Switch) chính hãng từ Matsushima Nhật Bản.
- Công tắc dây kéo dừng khẩn cấp ELADP-22W Matsushima
- Công tắc dây kéo dừng khẩn cấp ELADP-32W Matsushima
- Công tắc dây kéo dừng băng tải ELADP-86111 Matsushima
- Công tắc dây kéo dừng băng tải ELADP-80111 Matsushima
- Công tắc dây kéo dừng băng tải ELAW-31 Matsushima
- Công tắc dây kéo dừng băng tải ELAW-61P Matsushima
- Công tắc dây kéo dừng băng tải ELAM-61W Matsushima
- Công tắc dây kéo dừng băng tải ELAM-21W Matsushima
- Công tắc dây kéo dừng băng tải ELAM-62PW Matsushima
- Công tắc dây kéo dừng băng tải ELAW-21 Matsushima






