DL30-G-R WEB DATA LOGGERS
DL30-G-R là một thiết bị ghi nhật ký dữ liệu trực tuyến tiên tiến dành cho việc lắp đặt tại hiện trường, được phát triển bởi M-System sử dụng kiến thức và kinh nghiệm công nghệ tích luỹ từ việc tạo ra từ bộ Webdata Loggers TL2W, một sản phẩm ban đầu dành cho thị trường Nhật Bản. DL30-G-R có khả năng thu thập, ghi lại và quản lý dữ liệu trực tiếp tại hiện trường lắp đặt. Thiết bị này cũng tổng hợp và lưu trữ dữ liệu thu thập theo định dạng ghi nhật ký cụ thể, cung cấp các biểu mẫu báo cáo hàng ngày, hàng tháng và hàng năm dưới dạng file CSV.Hơn nữa, nó tạo ra nhiều màn hình web dựa trên dữ liệu đã tích luỹ. Những màn hình web này có thể được theo dõi dễ dàng trên máy tính hoặc máy tính bảng,smartphones thông qua Mạng Cục bộ (LAN) hoặc Internet. Đáng chú ý, thiết bị theo dõi, cho dù là máy tính hoặc máy tính bảng, chỉ cần trình duyệt web thông thường, không có hạn chế cụ thể liên quan đến máy tính, mẫu máy tính bảng hoặc hệ điều hành của nó.

Một trong những tính năng nổi bật của DL30-G-R là chức năng tự động báo cáo sự kiện qua email. Tính năng này được thiết kế để thông báo kịp thời cho các bên liên quan về các cảnh báo và sự kiện tại hiện trường, bao gồm các sự kiện như khởi động và tắt thiết bị. DL30-G-R được trang bị một loạt các giao thức truyền thông tích hợp, được tùy chỉnh để hỗ trợ các chức năng đã nêu.
DL30-G-R Web Data Loggers rất linh hoạt và có ứng dụng trong nhiều lĩnh vực khác nhau. Một trong các ứng dụng chính của nó nằm trong lĩnh vực thu thập dữ liệu và truyền tải tập tin ghi nhật ký và báo cáo. Các nhiệm vụ này được thực hiện thông qua việc giao tiếp với bộ điều khiển logic có thể lập trình (PLC) và các thiết bị Remote I/O . Khả năng thích ứng này biến DL30-G-R trở thành một công cụ không thể thiếu cho các nhiệm vụ yêu cầu theo dõi thời gian thực, tổng hợp dữ liệu và giao tiếp liền mạch giữa thiết bị tại hiện trường và các trạm theo dõi từ xa.
DL30-G-R là thiết bị có đầy đủ chức năng của DL8 ngoài ra nó là một phiên bản cải tiến hơn,
Bên cạnh đó DL30-G-R cho phép người dùng theo dõi trực tiếp lịch sử báo cáo dữ liệu ngày, tháng, năm trên web, Ngoài ra DL30-G-R có riêng phần mềm DL30 Web Designer giúp người dùng có thể thuận tiện thiết kế giao diện
Analog input (Ai) : 128 points
Discrete input (Di) : 256 points
Pulse input (Pi) : 128 points
Analog output (Ao) : 64 points
Discrete output (Do) : 128 points
Analog function register (MA)*4 : 256 points
Digital function register (MD)*4 : 256 points

Tóm tắt về thiết bị DL30-G-R Web Data Loggers:
- Bộ ghi nhật ký dữ liệu trực tuyến dành cho việc lắp đặt dễ dàng.
- Thu thập, ghi lại và quản lý dữ liệu trực tiếp tại hiện trường lắp đặt.
- Tổng hợp và lưu trữ dữ liệu dưới định dạng báo cáo khác nhau (hàng ngày, hàng tháng, hàng năm).
- Tạo ra các màn hình web dựa trên dữ liệu tích luỹ để theo dõi từ xa trên máy tính và máy tính bảng.
- Theo dõi dựa trên trình duyệt với không có hạn chế cụ thể cho thiết bị.
- Chức năng tự động báo cáo sự kiện qua email cho các cảnh báo và sự kiện tại hiện trường.
- Trang bị nhiều giao thức truyền thông tích hợp.
- Ứng dụng bao gồm thu thập dữ liệu, ghi nhật ký, truyền tải tệp dữ liệu báo cáo và giao tiếp với PLC và thiết bị I/O từ xa.
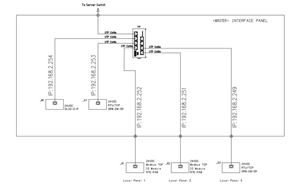
SƠ ĐỒ MINH HỌA CHO MỘT HỆ THỐNG SỬ DỤNG DL30-G-R

CÁC CHỨC NĂNG CHÍNH CỦA DL30-G-R WEB DATA LOGGERS
- Logging

Thiết bị tích hợp chức năng ghi nhật ký đầy đủ.
Các giá trị đo lường tại hiện trường cùng các mục dữ liệu sự kiện được ghi lại trong hệ thống bộ nhớ dung lượng lớn và sau đó được chuyển vào thẻ SD. Bạn có thể chọn thời gian lấy mẫu bất kỳ mỗi lần ghi dữ liệu vào thẻ SD.
Dữ liệu tại hiện trường có thể được ghi lại sau nhiều loại xử lý toán học khác nhau.
Dữ liệu đã ghi lại có thể được tải lên dưới định dạng CSV.
- Tạo báo cáo (Report)

DL30-G-R tích hợp chức năng tạo báo cáo tiện lợi.
Các báo cáo Hàng ngày/ Hàng tháng/ Hàng năm được tạo tự động từ dữ liệu đã ghi lại.
Không cần phần mềm tạo báo cáo cho máy tính ngoại vi.
Báo cáo đã tạo có thể được tải lên dưới định dạng CSV.
Bạn có thể đính kèm tệp vào email hoặc theo dõi chúng từ một màn
- Giám sát từ xa trên web

Có thể truy cập và giám sát từ bất kỳ thiết bị nào có trình duyệt web.
DL30-G-R tạo ra các màn hình trình duyệt web khác nhau, nơi bạn có thể giám sát trạng thái của hiện trường theo thời gian thực từ máy tính hoặc điện thoại thông minh.
Không cần phần mềm ứng dụng ở phía thiết bị (máy tính hoặc điện thoại thông minh, v.v.) miễn là nó có một trình duyệt.
Cung cấp nhiều màn hình trình duyệt web khác nhau như các tính năng tiêu chuẩn, bao gồm màn hình đồ thị, dữ liệu, sự kiện, báo cáo, tải xuống và lịch trình.
Có thể tạo màn hình người dùng tự định nghĩa.
Không chỉ có khả năng giám sát, mà còn khả năng điều khiển từ xa
- Báo cáo qua Mail
DL30-G-R là một người bảo vệ an ninh tại hiện trường thực hiện báo cáo qua email.

Nó tự động thông báo cho bạn qua email nếu dữ liệu tại hiện trường trở thành giá trị bất thường hoặc nếu một thiết bị tại hiện trường bắt đầu hoặc dừng lại.
Bạn có thể thiết lập tối đa 64 địa chỉ nhận báo cáo, và bạn có thể thay đổi địa chỉ và nội dung báo cáo bằng cách sử dụng các thiết lập từ xa.
Nó có lịch báo cáo tích hợp sẵn, và bạn có thể tắt email trong những ngày nghỉ.
Bạn có thể đính kèm tệp báo cáo vào email.
- Lập lịch trình (Scheduling)
DL30-G-R tích hợp một chức năng lịch trình, tự động bật và tắt thiết bị điều hòa không khí trong tòa nhà và thiết bị chiếu sáng theo lịch trình đã định sẵn.

Chức năng lịch trình bật và tắt thiết bị và thiết bị theo lịch trình đã được đăng ký trước. Ví dụ, hoạt động làm lạnh trước khi bắt đầu công việc được thực hiện và các dừng bất thường tự động được thực hiện trong suốt thời gian nghỉ. Bạn có thể lên lịch và đăng ký mẫu bắt đầu/tắt hàng tuần và dễ dàng thay đổi mẫu cho các ngày nghỉ.
- Truyền thông (Communications)
DL30-G-R được trang bị một loạt đầy đủ các chức năng giao tiếp cho việc giao tiếp với máy chủ đám mây, máy tính cá nhân trên Internet, I/O từ xa và giao tiếp mạng với PLC.

Chức năng máy chủ / máy khách FTP
Hỗ trợ giao tiếp HTTPS và FTPS
Chức năng Modbus/TCP master/slave
Chức năng giao tiếp SLMP (tuân theo tiêu chuẩn SLMP của Hiệp hội Đối tác CC-Link)
Chức năng giao tiếp SNTP (điều chỉnh thời gian tự động)
- Giám sát hoạt động quy trình
Tích hợp chức năng giám sát hoạt động.
Bạn có thể giám sát thiết bị từ máy tính hoặc điện thoại thông minh của mình trên Màn hình Andon và Màn hình Biểu đồ Gantt, nơi bạn có thể nhìn thấy tình trạng hoạt động của thiết bị một cách tổng quan.

[Màn hình Andon]
Màn hình Andon hiển thị tình trạng thiết bị và dây chuyền sản xuất theo thời gian thực.
Chức năng toán học thực hiện hiển thị thời gian và hoàn tất các thao tác phân tích.
Màn hình hiển thị lên đến năm mức tình trạng của cả dữ liệu số và dữ liệu tương tự.
[Màn hình Biểu đồ Gantt]
Trạng thái của thiết bị và giá trị số (phạm vi) được biểu thị một cách trực quan với trục thời gian được hiển thị bằng màu sắc của Andon.
Dự án công ty NTD đã thực hiện:
Giám sát nguồn năng lượng Điện, Gas của nhà máy Kirin

Hình 1: Cấu trúc truyền thông của hệ thống giám sát

Hình 2: Các thông số năng lượng tiêu thụ được hiển thị trên Web


Hình 3: dữ liệu được hiển thị dưới dạng Graphic

Hình 4: Dữ liệu báo cáo Ngày/ Tháng/ Năm được lưu vào thẻ nhớ SD






