Van bướm dạng wafer cho khí nóng WBV-H Kromschroder
Model: WBV-H
Thương hiệu: Kromschroder (Honeywell)
Xuất xứ: USA
Chính sách bán hàng
✅ Hàng chính hãng 100%
✅ Bảo hành & đổi trả do lỗi nhà sản xuất
✅ Giao hàng trên toàn quốc
✅ CO, CQ đầy đủ
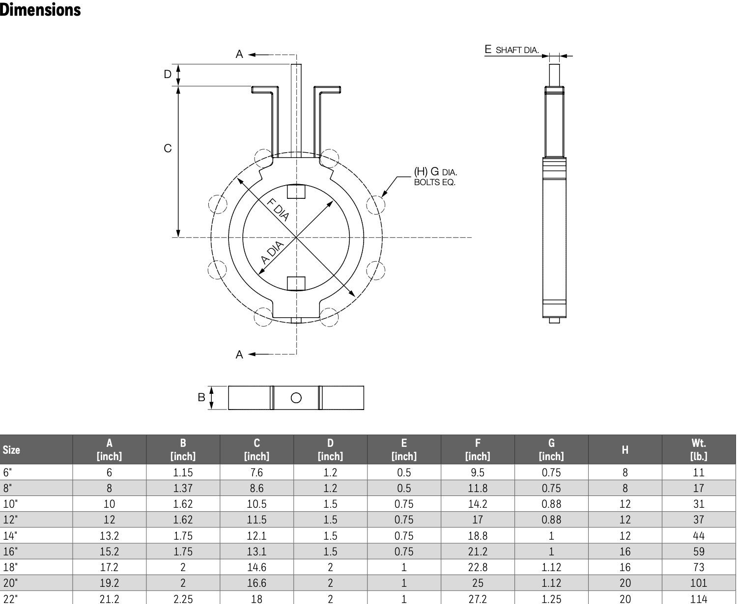
Van bướm wafer WBV-H được thiết kế để điều chỉnh và kiểm soát không khí ở nhiệt độ cao, bao gồm không khí môi trường hoặc không khí đốt đã được gia nhiệt trước.
Van bướm wafer được sử dụng để điều tiết hoặc kiểm soát lưu lượng không khí thường hoặc không khí đã gia nhiệt. Thiết bị có thể được cung cấp kèm tay gạt vận hành thủ công, hoặc tay gạt kết hợp cơ cấu liên kết nhằm phục vụ điều khiển tự động.
Khi lựa chọn kích thước van cho các ứng dụng điều khiển tự động, thông lệ kỹ thuật là thiết kế sao cho độ sụt áp trên van (∆p) chiếm khoảng 10–20% tổng áp suất không khí sẵn có trong hệ thống.
Khi đặt hàng, cần chỉ rõ dải nhiệt độ làm việc yêu cầu:
- Không khí môi trường: lên đến 400 °F
- Không khí đốt gia nhiệt trước: lên đến 1200 °F
Tính năng và lợi ích
- Dùng để điều chỉnh hoặc kiểm soát không khí môi trường hoặc không khí đã gia nhiệt
- Có sẵn tùy chọn tay gạt thủ công hoặc tay gạt kèm cơ cấu liên kết cho điều khiển tự động
- WBV-H phù hợp cho không khí gia nhiệt trước với nhiệt độ lên đến 1200 °F
- WBV-H cũng có thể sử dụng cho không khí môi trường với nhiệt độ lên đến 400 °F







