HONEYWELL - RECORDER DR45AT
Honeywell DR45AT 12" Digital Recorder, 4 Channels

The DR4500A Truline Recorder is a one to four-channel microprocessor-based circular chart recorder. Its "one-pen" stylus printhead produces up to four analog traces and prints alphanumeric chart data on a blank heat-sensitive chart. All four traces share the same time line reference which the Truline prints. This eliminates the error caused by pen alignment offsets in conventional pen designs. Since the Truline prints the chart and generates the analog traces at the same time, there is no error due to variations in chart size caused by changes in temperature and humidity. In addition to printing chart records, the Truline recorderalternately displays process variable values for all channels in the selected engineering units. Models with up to four input channels accept inputs from any one of a variety ofsensors or transmitters within the configurable range limits. The Truline is also available with one or two independent digital controllers and setpoint programmers.
SELECTION MODEL:

Setup Input:
- Thermocouple
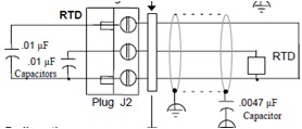
- RTD

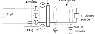
- 4-20mA

- Cài Jumpe

- Cài Jumpe cho 4-20mA

Set Output:

Cung cấp tất cả các linh kiện bên trong và bên ngoài của RECORDER như:
Card Input: 51309352-002
Card Ouput: 30754922-001
Main Input: 51309355-001
Main Output: 30754919-001
Mạch bàn phím: 30757571-001
Bàn phím: 30754957-501
Bút ghi: 30756304-501
Motor: C35M048A38-P1 (5 VDC)
-------------------------------------
CÔNG TY CỔ PHẦN KỸ THUẬT VÀ THƯƠNG MẠI THIẾT BỊ CÔNG NGHIỆP NTD
VPGD: Số 9, Ngõ 651/82/3 Minh Khai, Hai Bà Trưng, Hà Nội.
Hotline: 0971961212
Mail: sales@ntd-automation.com






