Công tắc tốc độ ESAW-102 Matsushima
Model: ESAW-102
Thương hiệu: Matsushima
Xuất xứ: Nhật Bản
Chính sách bán hàng
✅ Hàng chính hãng 100%
✅ Bảo hành & đổi trả do lỗi nhà sản xuất
✅ Giao hàng trên toàn quốc
✅ CO, CQ đầy đủ
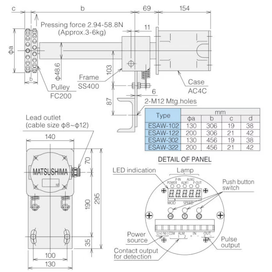
ESAW-102 thuộc dòng thiết bị phát hiện tốc độ (Speed Switch) của Matsushima. Đây là công tắc tốc độ loại con lăn tiếp xúc hoạt động bằng cách giám sát tốc độ quay của puli (con lăn tiếp xúc), bộ phận này được tiếp xúc trực tiếp với băng tải. Thiết bị rất dễ lắp đặt, vì lò xo căng luôn giữ cho con lăn tiếp xúc chặt với băng tải, đảm bảo đo tốc độ ổn định và chính xác.
Tính năng nổi bật
- Giám sát tốc độ bằng con lăn tiếp xúc trực tiếp với băng tải.
- Dễ lắp đặt, không cần trục quay phụ hoặc cơ cấu truyền động.
- Lò xo căng giữ con lăn tiếp xúc ổn định với băng tải.
- Cấu trúc chắc chắn, chịu bụi bẩn, rung động và môi trường ngoài trời.
- Phát hiện trượt băng tải, dừng quay hoặc giảm tốc bất thường.
- Có thể kích hoạt cảnh báo hoặc ngắt hệ thống khi phát hiện lỗi.
- Kết nối dễ dàng với bộ điều khiển hoặc hệ thống giám sát trung tâm.
Thông số kỹ thuật
- Nguồn cấp điện: DC24V, AC20–240V (50/60Hz)
- Phạm vi phát hiện: 2–3600P/phút
- Độ chính xác phát hiện: ±1%
- Ngõ ra (Output contact): 2a ON/OFF tại điểm phát hiện có thể cài đặt bằng tham số
- Dung lượng tiếp điểm: 250VAC 6A, 30VDC 6A
- Ngõ ra xung: Cực thu hở (open collector), tối đa 30VDC 50mA
- Bộ định thờ gian: 0 - 999 giâyn
- Cấp bảo vệ: IP67 giúp kháng bụi, kháng nước
- Nhiệt độ môi trường làm việc: Công tắc tốc độ loại con lăn ESAW-102 MATSUSHIMA hoạt động tốt trong môi trường có nhiệt độ –10°C đến +60°C;
- Khối lượng: ESAW-102 khoảng 14kg, ESAW-122 khoảng 4kg, ESAW-302: khoảng 16kg, ESAW-322 khoảng 6kg
Ứng dụng phổ biến
- Thích hợp cho các hệ thống mà trục quay chạy rất chậm, nơi cảm biến không tiếp xúc cũng khó đo chính xác.
- Dễ lắp đặt vì con lăn tiếp xúc sẽ tự theo bề mặt băng tải nhờ lực lò xo
- Giúp phát hiện các hiện tượng như trượt băng tải (slip), dừng quay, tải chậm,...
- Khi băng tải bị trượt hoặc vận hành chậm hơn mức cho phép, thiết bị có thể báo cảnh báo hoặc ngắt hệ thống để phòng ngừa sự cố.
- Có khả năng ứng dụng trong các ngành công nghiệp có băng tải khối lượng lớn, khu xi măng, mỏ, nhà máy sản xuất vật liệu,… nơi cần giám sát tốc độ băng tải liên tục.
Các dòng sản phẩm đang có sẵn
- Speed detector: ESFB-011CU
- Speed detector: ESPB-050
- Speed detector ESPB-051
- Speed detector ESKB-610M
- Speed detector ASTC-051
- Speed detector ESAW-102
- Speed detector ESAW-122
- Speed detector ESAW-302
- Speed detector ESAW-322






