Cảm biến tốc độ ESPB-050 Matsushima
Model: ESFB-050
Thương hiệu: Matsushima
Xuất xứ: Nhật Bản
Chính sách bán hàng
✅ Hàng chính hãng 100%
✅ Bảo hành & đổi trả do lỗi nhà sản xuất
✅ Giao hàng trên toàn quốc
✅ CO, CQ đầy đủ
Trong các hệ thống băng tải và máy quay, trượt (slip) bất thường hoặc sai lệch tốc độ có thể gây ra hư hại cơ khí, hao mòn, đổ hàng, thậm chí gây cháy do ma sát. Việc giám sát tốc độ trục một cách chính xác giúp phòng ngừa rủi ro và tăng tuổi thọ vận hành.
Matsushima ESFB-011CU là thiết bị lý tưởng để thực hiện nhiệm vụ này dưới dạng không tiếp xúc, giúp phát hiện kịp thời tình trạng trượt băng tải giúp ngăn ngừa cháy nổ băng tải và tắc nghẽn phễu. Từ đó, phát hiện sớm sự cố đứt băng tải giúp giảm thiểu nguy cơ tắc nghẽn phễu và rơi vãi hàng hóa.
Tính năng nổi bật
- Phát hiện mất tốc, trượt băng, ngắt motor khi quá tốc
- Thiết kế bền bỉ, phù hợp với môi trường khắc nghiệt, rung mạnh
- Hoạt động chính xác ở tốc độ thấp, phù hợp cho cả băng tải chạy chậm
- Có thể điều chỉnh ngưỡng cảnh báo, dễ tích hợp PLC hoặc hệ thống cảnh báo
- Không cần tiếp xúc trực tiếp, tuổi thọ lâu dài
- ESFB-050 Matsushima thuộc dòng thiết bị Slip Detector / Speed Switch của Matsushima
Thông số kỹ thuật
- Nguyên lý: Cảm biến điện từ, đo tần số từ trường xoay sinh ra bởi chuyển động quay
- Ngõ ra: Tín hiệu PNP/NPN hoặc tiếp điểm relay SPDT (NO + NC)
- Tốc độ giám sát: 1 - 999 RPM
- Ngưỡng cảnh báo: Có thể cài đặt – cảnh báo quá tốc hoặc mất tốc
- Nguồn cấp: 24VDC
- Vỏ bảo vệ: Hợp kim nhôm, sơn tĩnh điện
- Cấp bảo vệ: IP67 – chống bụi và nước công nghiệp
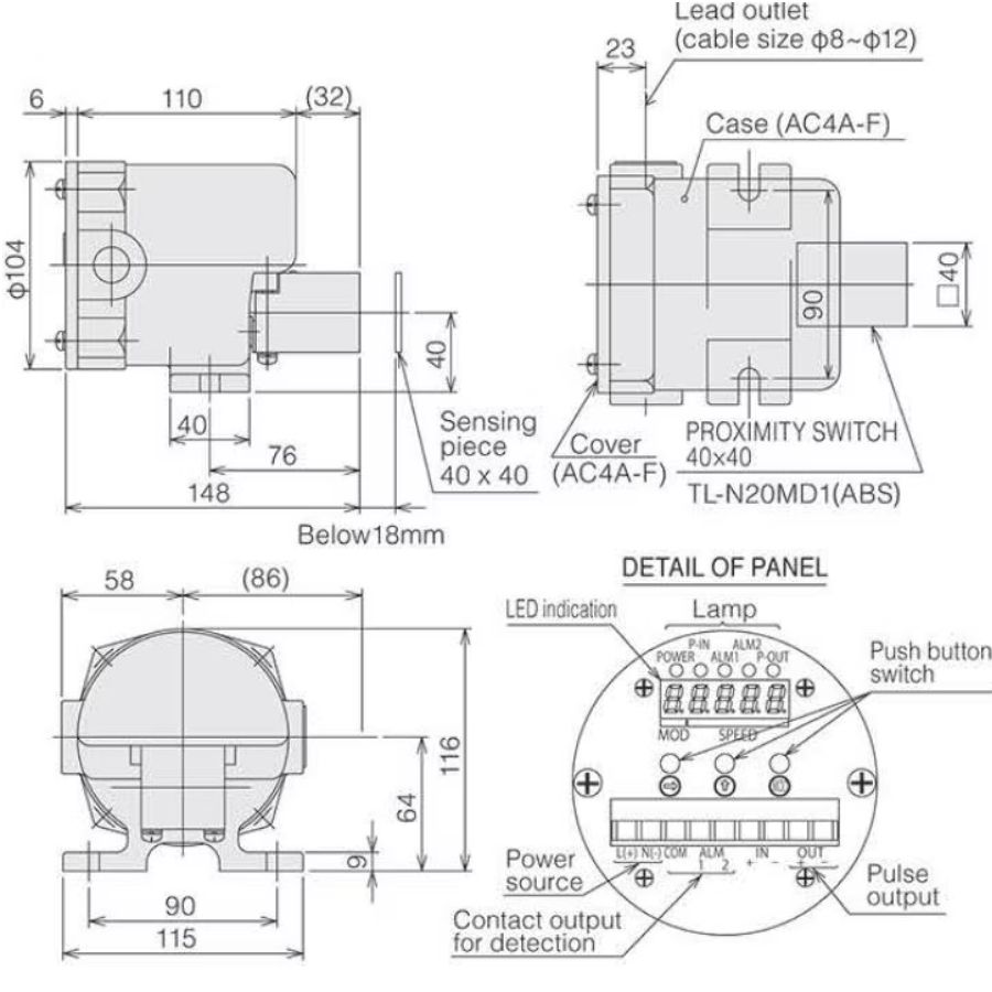
- Khoảng cách phát hiện: 18 mm trở xuống(tùy vật thể kim loại gắn trên trục)
- Khối lượng: 1,3 kg
Ứng dụng phổ biến
- Giám sát tốc độ băng tải dài trong nhà máy xi măng, than, khai khoáng
- Phát hiện băng tải dừng đột ngột, đứt trục, trượt băng
- Giám sát tốc độ máy nghiền, máy trộn, motor công nghiệp
- Ngắt khẩn hệ thống khi vượt quá giới hạn tốc độ cho phép
Các dòng sản phẩm đang có sẵn
- Speed detector: ESFB-011CU
- Speed detector: ESPB-050
- Speed detector ESPB-051
- Speed detector ESKB-610M
- Speed detector ASTC-051
- Speed detector ESAW-102
- Speed detector ESAW-122
- Speed detector ESAW-302
- Speed detector ESAW-322






