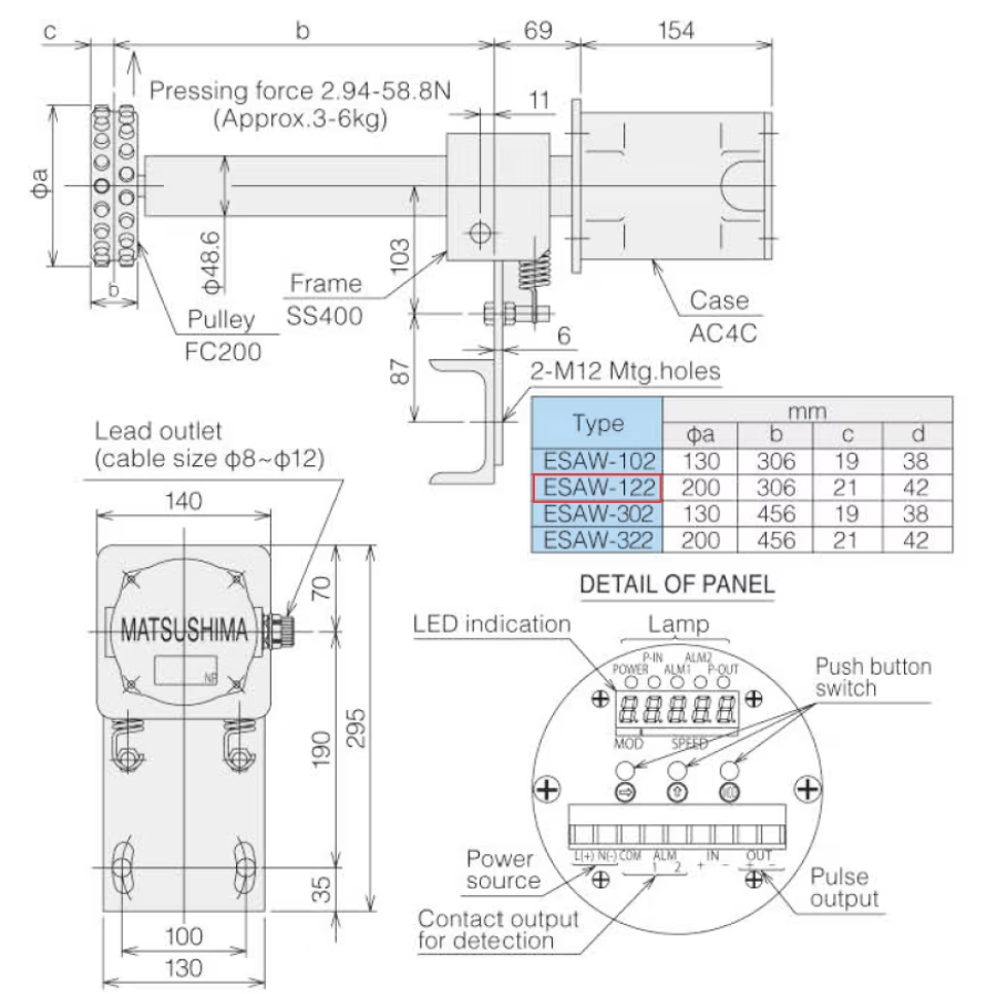
Công tắc tốc độ ESAW-122 Matsushima
Model: ESAW-122
Thương hiệu: Matsushima
Xuất xứ: Nhật Bản
Chính sách bán hàng
✅ Hàng chính hãng 100%
✅ Bảo hành & đổi trả do lỗi nhà sản xuất
✅ Giao hàng trên toàn quốc
✅ CO, CQ đầy đủ
Công tắc tốc độ (Speed Switch) ESAW-122 Matsushima là cảm biến chuyển động phát hiện tốc độ trục của máy móc một cách chính xác. Đồng thời dễ dàng thiết lập thiết bị bằng cách nhấn nút.
Tính năng nổi bật
- Công tắc tốc độ kiểu con lăn cảm ứng theo dõi tốc độ bằng cách xoay puli (con lăn cảm ứng) tiếp xúc với băng tải. Việc lắp đặt dễ dàng nhờ lò xo căng giúp puli tiếp xúc với băng tải.
- Dễ lắp đặt trong môi trường băng tải: Do dạng tiếp xúc (touch roller) nên phù hợp với các băng tải, dây truyền có rulo chạy, giúp đo trực tiếp tốc độ bằng phương pháp cơ học đơn giản.
- Dòng sản phẩm Speed Switch của Matsushima nói chung có các ưu điểm như phát hiện không tiếp xúc, cài đặt dễ dàng.
Thông số kỹ thuật
- Nguồn cấp điện: DC24V, AC20–240V (50/60Hz)
- Phạm vi phát hiện: 2–3600P/phút
- Độ chính xác phát hiện: ±1%
- Ngõ ra (Output contact): 2a ON/OFF tại điểm phát hiện có thể cài đặt bằng tham số
- Dung lượng tiếp điểm: 250VAC 6A, 30VDC 6A
- Ngõ ra xung: Cực thu hở (open collector), tối đa 30VDC 50mA
- Bộ định thờ gian: 0 - 999 giâyn
- Cấp bảo vệ: IP67 giúp kháng bụi, kháng nước
- Nhiệt độ môi trường làm việc: Công tắc tốc độ loại con lăn ESAW-122 MATSUSHIMA hoạt động tốt trong môi trường có nhiệt độ –10°C đến +60°C;
- Khối lượng: 14kg
Ứng dụng phổ biến
- Thích hợp cho các hệ thống mà trục quay chạy rất chậm, nơi cảm biến không tiếp xúc cũng khó đo chính xác.
- Dễ lắp đặt vì con lăn tiếp xúc sẽ tự theo bề mặt băng tải nhờ lực lò xo
- Giúp phát hiện các hiện tượng như trượt băng tải (slip), dừng quay, tải chậm,...
- Khi băng tải bị trượt hoặc vận hành chậm hơn mức cho phép, thiết bị có thể báo cảnh báo hoặc ngắt hệ thống để phòng ngừa sự cố.
- Có khả năng ứng dụng trong các ngành công nghiệp có băng tải khối lượng lớn, khu xi măng, mỏ, nhà máy sản xuất vật liệu,… nơi cần giám sát tốc độ băng tải liên tục.






