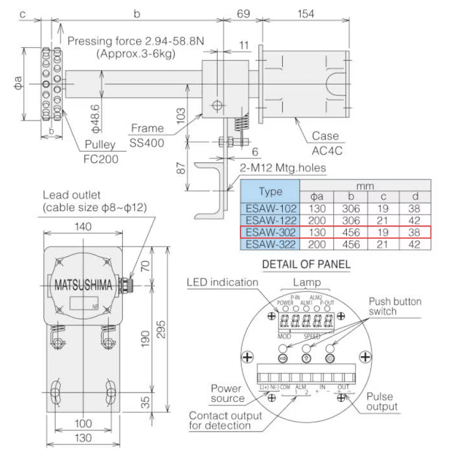
Công tắc tốc độ ESAW-302 Matsushima
Model: ESAW-302
Thương hiệu: Matsushima
Xuất xứ: Nhật Bản
Chính sách bán hàng
✅ Hàng chính hãng 100%
✅ Bảo hành & đổi trả do lỗi nhà sản xuất
✅ Giao hàng trên toàn quốc
✅ CO, CQ đầy đủ
ESAW-302 Matsushima là công tắc giúp giám sát tốc độ quay của trục hoặc băng tải và phát hiện tình trạng trượt, đứt dây hoặc quá tốc độ. Khi tốc độ thực tế khác với tốc độ chuẩn đã cài đặt, thiết bị gửi tín hiệu cảnh báo hoặc dừng máy để bảo vệ băng tải.
Tính năng nổi bật
- Chức năng quét tự động xoay chỉ bằng một lần nhấn.
- Có thể điều chỉnh tăng hoặc giảm tốc độ phát hiện và điểm phát hiện tại vị trí.
- Hiển thị tốc độ quay theo tốc độ băng tải.
Thông số kỹ thuật
- Nguồn cấp điện: DC24V, AC20–240V (50/60Hz)
- Phạm vi phát hiện: 2–3600P/phút
- Độ chính xác phát hiện: ±1%
- Ngõ ra (Output contact): 2a ON/OFF tại điểm phát hiện có thể cài đặt bằng tham số
- Dung lượng tiếp điểm: 250VAC 6A, 30VDC 6A
- Ngõ ra xung: Cực thu hở (open collector), tối đa 30VDC 50mA
- Bộ định thờ gian: 0 - 999 giâyn
- Cấp bảo vệ: IP67 giúp kháng bụi, kháng nước
- Nhiệt độ môi trường làm việc: Công tắc tốc độ loại con lăn ESAW-302 MATSUSHIMA hoạt động tốt trong môi trường có nhiệt độ –10°C đến +60°C;
- Khối lượng: 16 kg
Ứng dụng phổ biến
- Hệ thống băng tải trong các nhà máy xi măng, than, thép, điện, thực phẩm,...
- Giám sát tốc độ rulo, trục, gầu tải, vít tải, hoặc các bộ phận quay khác trong dây chuyền sản xuất.






