Công tắc tốc độ ESAW-322 Matsushima
Model: ESAW-322
Thương hiệu: Matsushima
Xuất xứ: Nhật Bản
Chính sách bán hàng
✅ Hàng chính hãng 100%
✅ Bảo hành & đổi trả do lỗi nhà sản xuất
✅ Giao hàng trên toàn quốc
✅ CO, CQ đầy đủ
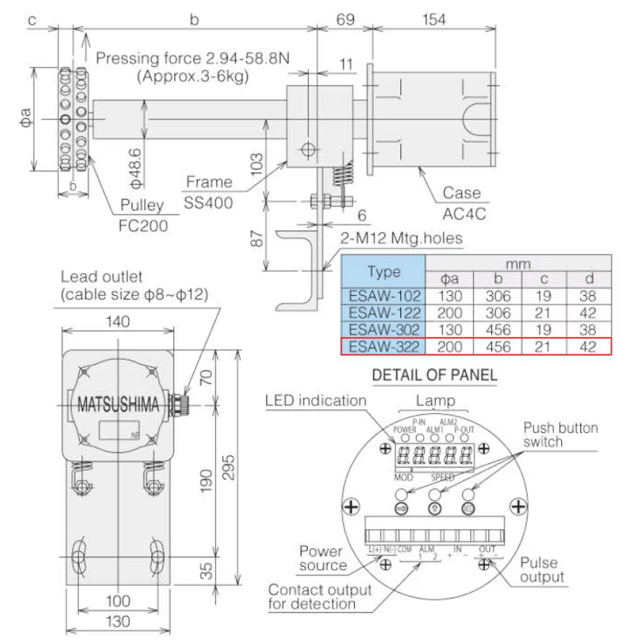
ESAW-322 Matsushima là công tắc tốc độ (Speed switch), kiểu con lăn tiếp xúc (touch roller type). Thiết bị dùng để đo/giám sát tốc độ quay hoặc tốc độ băng tải bằng con lăn tiếp xúc trực tiếp.
Tính năng nổi bật
- Phát hiện trượt băng tải hoặc quay lệch tốc độ nhanh, chậm: Thiết bị liên tục giám sát tốc độ trục/con lăn băng tải hoặc thiết bị quay để phát hiện trường hợp trượt (slip) hoặc tốc độ vượt (overspeed), ngăn ngừa cháy băng tải, nghẹt phễu, rơi vật liệu, tăng tính an toàn vận hành.
- Kiểu tiếp xúc trực tiếp (Touch roller type) phù hợp với băng tải: Trong các dòng “Speed Switch”, có kiểu “contact-driven roller type” (touch roller type), nơi thiết bị tiếp xúc trực tiếp với băng tải hoặc con lăn để đo tốc độ
- Thiết lập dễ dàng, vận hành đơn giản: Có chế độ bấm một lần để thiết lập tốc độ tham chiếu tự động giúp tiết kiệm thời gian cài đặt.
- Thiết kế phù hợp môi trường ngoài trời / khắc nghiệt: Các thông số kỹ thuật của dòng thiết bị mô tả khả năng sử dụng ngoài trời, chịu được môi trường khắc nghiệt. Vật liệu và cấu trúc thiết bị được thiết kế để đảm bảo độ bền và ổn định trong thời gian dài.
Thông số kỹ thuật
- Nguồn cấp điện: DC24V, AC20–240V (50/60Hz)
- Phạm vi phát hiện: 2–3600P/phút
- Độ chính xác phát hiện: ±1%
- Ngõ ra (Output contact): 2a ON/OFF tại điểm phát hiện có thể cài đặt bằng tham số
- Dung lượng tiếp điểm: 250VAC 6A, 30VDC 6A
- Ngõ ra xung: Cực thu hở (open collector), tối đa 30VDC 50mA
- Bộ định thờ gian: 0 - 999 giâyn
- Cấp bảo vệ: IP67 giúp kháng bụi, kháng nước
- Nhiệt độ môi trường làm việc: Công tắc tốc độ loại con lăn ESAW-322 MATSUSHIMA hoạt động tốt trong môi trường có nhiệt độ –10°C đến +60°C;
- Khối lượng: 16 kg
Ứng dụng phổ biến
- Thích hợp cho các hệ thống mà trục quay chạy rất chậm, nơi cảm biến không tiếp xúc cũng khó đo chính xác.
- Dễ lắp đặt vì con lăn tiếp xúc sẽ tự theo bề mặt băng tải nhờ lực lò xo
- Giúp phát hiện các hiện tượng như trượt băng tải (slip), dừng quay, tải chậm,...
- Khi băng tải bị trượt hoặc vận hành chậm hơn mức cho phép, thiết bị có thể báo cảnh báo hoặc ngắt hệ thống để phòng ngừa sự cố.
- Có khả năng ứng dụng trong các ngành công nghiệp có băng tải khối lượng lớn, khu xi măng, mỏ, nhà máy sản xuất vật liệu,… nơi cần giám sát tốc độ băng tải liên tục.






