Với nhiều năm kinh nghiệm trong lĩnh vực cung cấp các sảm phẩm trong ngành tự động hóa, NTD tự hào là nhà phân phối của nhiều hãng trên toàn thế giới như: Emerson, Yamari, M-system…. Trong đó phải kể tới Cabac. Cabac là một trong những ngành dẫn đầu trong việc cung ứng các sản phẩm ngành điện. Bài viết này, NTD sẽ giới thiệu cho các bạn một sản phẩm dẫn đầu của hãng Cabac đó là sảm phẩm “Đầu nối cáp”
Đầu nối cáp CABAC được làm từ đồng ủ có độ dẫn điện cao hơn 99,9% cu, mang lại tính chất điện tốt nhất có thể. Chúng có khả năng chịu được hoạt động liên tục nhiệt độ 155˚C, cao hơn nhiều so với đặc tính nhiệt độ của hầu hết các đầu nối cáp khác.

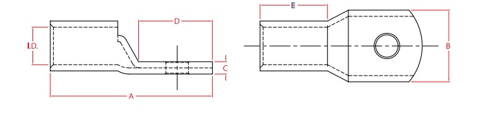
Hình ảnh: Bản vẽ đầu nối cáp
Một số loại đầu nối cáp Cabac:
Đầu nối cáp CAL120-10 ,CAL120-12, CAL150-10, CAL16-10, CAL16-6, CAL16-8 , CAL185-10 , CAL185-12, CAL25-10, CAL25-8, CAL35-10, CAL35-12, CAL35-8,CAL400LB , CAL500-16, CAL50-10, CAL50-12, CAL6-10, CAL6-6, CAL70-10, CAL70-12, CAL95-10,CAL95-12, CAL95-8, CAS120, CAS185, CAS35, CAS4, CAS50, CAS70, CAS95, CAS16, CL16-6,CL25-8….
Một số thông tin kỹ thuật của từng mã hàng:


Trên đây là thông tin về đầu nối cáp Cabac mà NTD muốn chia sẻ đến các bạn. Để biết thêm thông tin chi tiết sản phẩm cũng như nhận được giá ưu đãi nhất, vui lòng liên hệ chúng tôi qua Holine: 0971.961.212 hoặc truy cập trang web https://ntd-automation.com.vn/
>>Xem thêm: Kho hàng Cabac tại Việt Nam<<
------------------------------------
Công ty CP Kỹ thuật và Thương mại thiết bị công nghiệp NTD
Hotline: 0971 961 212
Email: sales@ntd-automation.com







Viết bình luận